XBC系列扁布袋除尘机组 |
|
一、 概况
XBC型除尘机组是根据我国实际生产和环境保护工程的需要,由电力工业部华北电力设计院和我公司共同研制的一种新型袋式除尘机组,该机组由滤尘箱体、清灰机构、通风机、灰斗及排灰装置等组成,根据用户需要设备可增设控制箱控制工程和序,使设备自动控制。
该机组结构紧凑,操作简单,维修方便并且容易布置,滤袋采用729聚脂涤轮为滤料,具有强力高,并可用于粉尘的回收。有利于改善劳动条件和环境保护。
本机组分为A型和B型两种型式。A型不带料斗和排灰装置,B型带料斗和排灰装置。它可以直接安装在扬尘点上(如皮带输送机的导料槽、料仓)。
本机组按风机安装方式不同分为:右90°、右180°、左90°、左180°四种型式,B型又按尘气入口安装方向不同分为:Ⅰ型、Ⅱ型、Ⅲ型、Ⅳ型四种型式,具体安装形式由设计者根据实际情况确定。
本机组又根据过滤面积不同分为18、23、36、45、56五种除尘机组。
二、 结构和工作原理
本机组由风机、过滤箱体、框架式的扁布袋,清灰振打机构,料斗及排灰装置组成,可按程序控制自动工作。
开机时由于风机造成滤尘室内负压,将含尘气体从进口吸入到过滤箱体,经布袋过滤后便附在布袋外表面,洁净的空气通过滤料进入到净化室由风机送至室内或大气中,从而达到净化空气或是收集含尘气体中固体颗料的目的。
随着机组的运行,布袋外壁附着的灰法逐渐增多,机组的阻力急剧上升,由于压差报警器的作用,使风机停止,同时机械振打清灰机构自动开始工作,迫使积灰下落,灰尘经料斗和排灰装置排出(若用A型除尘器可净清灰直接落在皮带输送机或料仓),经过预定的时间后,振打机构便自动停止工作,这便完成一个清灰工作循环。 |
三、 选用须知
1、A型除尘机组型号、规格及装配方式标法: 2、B型除尘机组型号、规格及装配方式标法: |
 |
3、尘气入口、净气出口位置由设计者根据实际情况任意选取。
4、如果有其它特殊要求,设计时必须注明。
5、电控箱分手动和自动两种,设计时必须注明(价格另计)。
6、设计时必须考虑到检修门的开启方便。
四、 技术性能 |
| XBC-A型扁布袋除尘机组技术性能表 |
| 序号 |
机组型号\性能参数 |
XBC-18-A型 |
XBC-23-A型 |
XBC-28-A型 |
XBC-36-A型 |
XBC-45-A型 |
XBC-36-A型 |
| 1 |
处理风量m3/h |
2210 |
3284 |
4000 |
5700 |
7560 |
10080 |
| 2 |
过滤面积㎡ |
18 |
23 |
28 |
36 |
45 |
56 |
| 3 |
设备阻力Pa |
900 |
1000 |
1000 |
>1000 |
1000 |
1000 |
| 4 |
除尘效率 |
>99% |
| 5 |
滤袋数量 |
16 |
21 |
25 |
32 |
42 |
50 |
| 6 |
入口含尘浓度 g/m3 |
<7 |
| 7 |
过滤温度m/min |
2.05 |
2.38 |
2.38 |
2.64 |
2.8 |
3 |
| 8 |
气体温度℃ |
<120 |
| 9 |
漏风率 |
<5% |
| 10 |
离心通风机 |
风机型号 |
4-72No3.2A |
4-72No3.6A |
4-72No4A |
4-72No4.5A |
4-72No4.5A |
4-72No5A |
| 风量m3/h |
1975~3640 |
2930~5408 |
4020~7420 |
5730~10580 |
5730~10580 |
7280~15455 |
| 风压Pa |
1270~800 |
1650~1090 |
2040~1370 |
2580~1700 |
2580~1700 |
3187~2019 |
| 转速r/min |
2900 |
2900 |
2900 |
2900 |
2900 |
2900 |
| 电机型号 |
Y90L-2 |
Y100L-2 |
Y132S1-2 |
Y132S2-2 |
Y132S2-2 |
Y160M2-2 |
| 电机功率Kw |
2.2 |
3 |
5.5 |
7.5 |
7.5 |
15 |
| 11 |
振打电机KW |
0.18 |
0.18 |
0.18 |
2×0.18 |
2×0.18 |
2×0.18 |
| 12 |
电控箱外形(长×宽×高)mm |
600×400×100 |
| 13 |
设备外形(长×宽×高)mm |
974×850
×1763 |
1219×850
×1829 |
1415×850
×1895 |
1694×974
×1998 |
1694×1219
×1988 |
1694×1414
×2080 |
| 14 |
设备约重Kg |
480 |
630 |
690 |
840 |
1260 |
1380 |
|
| XBC-B型扁布袋除尘机组技术性能表 |
| 序号 |
机组型号\性能参数 |
XBC-18-B型 |
XBC-23-B型 |
XBC-28-B型 |
XBC-36-B型 |
XBC-45-B型 |
XBC-36-B型 |
| 1 |
处理风量m3/h |
2210 |
3284 |
4000 |
5700 |
7560 |
10080 |
| 2 |
过滤面积㎡ |
18 |
23 |
28 |
36 |
45 |
56 |
| 3 |
设备阻力Pa |
900 |
1000 |
1000 |
1000 |
1000 |
1000 |
| 4 |
尘效率 |
>99% |
| 5 |
滤袋数量 |
16 |
21 |
25 |
32 |
42 |
50 |
| 6 |
入口含尘浓度 g/m3 |
<7 |
| 7 |
过滤温度m/min |
2.05 |
2.38 |
2.38 |
2.64 |
.8 |
3 |
| 8 |
气体温度℃ |
<120 |
| 9 |
漏风率 |
<5% |
| 10 |
离心通风机 |
风机型号 |
4-72No3.2A |
4-72No3.6A |
4-72No4A |
4-72No4.5A |
4-72No4.5A |
4-72No5A |
| 风量m3/h |
1975~3640 |
2930~5408 |
4020~7420 |
5730~10580 |
5730~10580 |
7280~15455 |
| 风压Pa |
1270~800 |
1650~1090 |
2040~1370 |
2580~1700 |
2580~1700 |
3187~2019 |
| 转速r/min |
2900 |
2900 |
2900 |
2900 |
2900 |
2900 |
| 电机型号 |
Y90L-2 |
Y100L-2 |
Y132S1-2 |
Y132S2-2 |
Y132S2-2 |
Y160Msub>2-2 |
| 电机功率Kw |
2.2 |
3 |
5.5 |
7.5 |
7.5 |
15 |
| 11 |
振打电机KW |
|
0.18 |
0.18 |
0.18 |
2×0.18 |
2×0.18 |
| 12 |
排灰电机KW |
1.1 |
| 13 |
电控箱外形(长×宽×高)mm |
600×400×100 |
| 14 |
设备外形(长×宽×高)mm |
974×850
×763 |
1219×850
×829 |
1415×850
×895 |
1694×974
×998 |
1694×1219
×1988 |
1694×1414
×2080 |
| 15 |
设备约重Kg |
680 |
880 |
940 |
1190 |
1660 |
2000 |
|
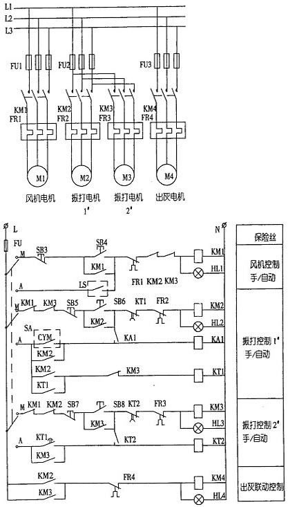
五、 电器接线
1、 电器控制箱尺寸:600×400×1000
2、 电器原理图见下图: |
 |
图例说明:
KM2、KM3可选用接入皮带机控制回路,作振打时联动停止皮带机组。
LS远程联锁启动除尘器长脉冲触头。
CYM是压差开关(即风速开关)的常开报警触头,作阻塞时启动振打用。
SA是万能转换开关,作手动自动切换用。
除尘器型号说明:
A型不带出灰电机 B型带出灰电机
七、安装说明
1、安装前应检查机组的完好性,重新拧紧各连接螺栓。
2、安装位置应注意检查门开启方便。
3、机组底部需垫10mm的防振胶垫。
1、 机组的安装一定要达到水平。
八、机组的维护与保养
1、 除尘系统工作时,应使通过机组的风量保持在额定风量左右且尽量减少风量的波动。
2、 经常注意各检查门的严密性。
3、 经常检查排风口气体的洁净情况,如发现排风口有灰尘排出,即表明布袋破损,应立即更换布袋。
4、 定期清除本体和排风管道内的积尘等杂质,以防止锈蚀。
九、用户须知
1、 用户请按标注示例写清楚所需麻风的除尘机组型号、规格全名,若有特殊要求(必须经本厂同意),务必在合同上写清楚。
2、 电控箱分手动和自动两种,订货时必须注明。价格不包括在除尘机体内(价格另计)。
3、 用户若对机组部件有特殊要求,请与本厂联系。
4、 本厂随时可供除尘机组所有易损件及配件。
5、 本厂可代办运输、送货上门。
6、 本厂是生产通风除尘设备的专业性工厂,除本厂定型产品外,还可生产加工各种除尘设备,可根据用户要求制作各种非标净化设备。 |
| |