一、产品介绍
XDCC-4-33-Ⅰ型多管冲击式除尘器,是根据国外有关技术资料,结合我国实际生产和环境保护工程的需要,由电力工业部华北电力设计院和我公司共同研制的一种新型湿式除尘设备,该除尘器主要用于非纤维、无腐蚀性、温度不高于120℃的含尘气体的净化处理,同时也适用于矿山、化工、煤炭建材、冶金、电力等工业行业,经环保部门测试,该除尘器各项性能指标均达到了国内先进水平。
XDCC-4-14-Ⅱ型多管冲击式除尘器是在长期积累用户宝贵意见的基础上重新设计的,它将离心风机与除尘机体整体化,从而减少了用户的辅助设施,并降低了除尘系统的设备阻力;将液位仪移出机体、增加观察视镜和溢流管,既提高了机组运转的稳定性,又方便了操作。
该除尘器的研制成功对于发展我国的除尘技术,保护人民健康,加速我国环保事业的发展都会起到重要作用。
二、结构及原理
1、总体结构:
该除尘器分为上、下箱体两大部分:
上箱体包括:进出风管、分配送风管、两道挡水板、喷头、离心风机等。(Ⅰ型不包括离心风机)
下箱体包括:泥浆斗、喷水管等。
该除尘器另外装有:电动推杆、液体控制仪、电磁阀和U型压差计等。
2工作原理:
除尘器机组原理见下图,含尘气体由入口进入后,较大的粉尘颗粒被挡灰板(1)阻挡下落后被除掉,较小的粉尘颗粒随着气流一同进入联箱(2),这时含尘气体经过送风管(3),以较高的速度从喷头(4)处喷出,冲击液面撞击起大量的泡沫和水滴,以此达到净化空气的目的。净化后的空气在风机的作用下(下图用虚线箭头),通过第一挡水板(5)和第二挡水板(6)由出风口(或离心风机出风口)排出。净化后的气体中所含有的水滴由第一、第二挡水板除掉。
含尘气体的整个除尘过程是在负压状态下进行的,而液面的高度是由溢流管和水位控制仪(11)控制。
净化气体用的水在使用一定的时间后,由于水中含有大量的粉尘而需更换,更换水时,由电动推杆(10)将排水口外的活塞提起,含有大量粉尘的污水经排水口排出,当污水基本排完后,水位控制仪控制设在进水总管上的电磁阀(9)开启(供水压力为0.5~2kg/c㎡),水通过进水管由设在除尘器箱体下部的冲洗喷嘴(8)喷出,将箱体底部冲洗干净,然后电动推杆将活塞放下,排水口关闭;箱体内的水面上升;待水面上升到除尘所需高度时,水位控制仪控制电磁阀关闭,让水中断,箱体内多余的水由溢流管排出;此时除尘器可进入工作状态。 |
|
三、选用须知
1、Ⅰ型除尘器型号、规格及装配方式标法: 2、Ⅱ型除尘器型号、规格及装配方式标法: |
 |
3、箱体内风管喷头插入深度可由选用者任意选择,但插入水中深度最大不能超过10厘米(有关因素由选用者考虑)。
4、接到控制箱的电源,只按风机电动机的容量即可。
5、离心风机的出口方向由设计者根据实际情况任意选取。
6、电磁阀厂家配套供应进口和国产两种(价格另计),设计者应选定。
7、出风口位置(Ⅰ型)由设计者根据实际情况任意选取。 |
| 四、技术性能 |
点击查看Ⅰ型、Ⅱ型 多管冲击除尘器技术性能表 |
| |
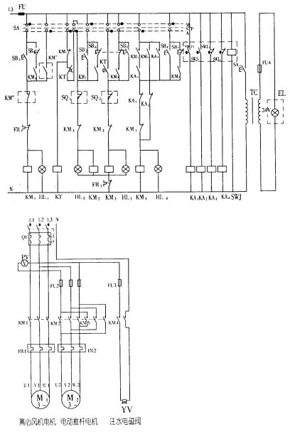
| 五、电器接线图 |
 |
离心风机启动 |
手/自动控制推杆电机 |
注水电磁闪阀 |
1-4点
水 位
控 制 |
双 位
控制仪 |
低压
水位
照明 |
熔断器 |
手动
控制 |
联锁自
提 升 |
联锁自
提升排污 |
手动 |
排污后
下 降 |
手动
下降 |
水位自
动控制 |
手动
控制 |
|
七、安装说明
(一)安装前应检查机组的完好性,重新拧紧各连接螺栓。
(二)安装应注意检修门开启方便,供水管路及排污装置便于观察、维修。
(三)机组的安装一事实上要达到水平。
八、机组的维护与保养
(一)除尘系统工作时,应使通过机组的风量保持在额定风量左右,且尽量减少风量的波动。
(二)经常注意各检查门的严密。
(三)根据机组的运行经验,定期地冲洗机组内部及自动控制装置中液位仪上电极杆上的积灰。
(四)在通入含尘气体时,不允许地水位不足的条件下运转,更不允许无水运转。
(五)经常保持自动控制装置的清洁,防止灰尘进入操作箱,发现自动控制系统失灵时,应及时检修。
(六)当出现过高、过低水位时,应及时查明,排除故障。
九、一般故障及处理方法 |
| 故 障 |
原 因 |
处 理 |
| 风量小 |
1、风机接线接反
2、检修门关闭不严
3、水位偏高
4、除尘系统阻力偏大 |
1、 调换风机电源接线
2、 关闭密封门
3、 调节(下移)溢流管
4、 加大风机的出口风压,减少系统阻力 |
| 净化效果差 |
1、 水位偏低
2、 除尘器内工作水含浓度大
3、 检修门关闭不严
4、 除尘系统阻力偏大,风量减少 |
1、 调节(上移)溢流管
2、 增加排污水次数
3、 关紧密封门
4、 加大风机的出口风压,减少系统阻力 |
| 充水量大 |
1、密封装置漏水
2、电动推杆未压紧
3、电磁阀失灵 |
1、(1)拧紧密封装置
(2)更换或增加密封装置内密封材料
2、将电动推杆接线盒内下限位开关微量下移
3、检修电磁阀 |
|
十、用户须知
1、 供货范围
(1) 除尘器本体及附件(包括电动推杆、液位开关、电磁阀、U型压力计等)。
(2) 电气控制柜(700×400×1200)
2、Ⅰ型配套供给通风机、电动机、电磁阀(分进口、国产)两种,价格另计。
3、信守合同,按期交货,保证质量。并可代用户办理铁路、公路运输,送货上门。
4、为用户及早投产使用,我厂可代用户制作、安装各种除尘器管件,以及安装除尘设备。
5、我厂随时可供除尘器所有易损件及配件。
6、我厂是生产通风部件及除尘器的专业性工厂,除本厂产品外还生产加工各种除尘设备,可根据用户要求制作各种非标准净化设备。 |
| |